| 二、膀胱癌 | 《病理学》 | 
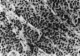
| 二、膀胱癌膀胱癌是泌尿道肿瘤中最多见的。多发生于40~60岁之间,男性比女性多3倍。 【病理变化】 膀胱癌因多发生于膀胱侧壁和三角区近输尿管开口处,故易阻塞输尿管口引起肾盂积水和肾盂肾炎。肿瘤可为单发性或多发性,大小不等,从数毫米至数厘米。外观呈乳头状或扁平。乳头状癌在膀胱粘膜表面形成乳头状突起,有蒂与膀胱粘膜相连,有时呈息肉状或菜花状。分化不好,恶性程度较高的肿瘤多无蒂,基底宽,突出于粘膜表面,并向壁内作不同程度的浸润。有些肿瘤不形成突起,表现为膀胱粘膜局部增厚呈扁平斑块状。这种类型早期可局限于粘膜内,但多数浸润至粘膜下,其恶性程度往往比乳头状癌高,表现可有溃疡形成、出血和伴发感染。 根据组织学类型可将膀胱癌分为移行细胞癌、鳞状细胞癌和腺癌,有些为混合性。其中以移行细胞癌为最常见,腺癌很少见。 1.移行细胞癌(transitional cell carcinoma) 约占膀胱癌的90%,分化程度不同,包括从分化良好的乳头状非浸润性癌到高度未分化的浸润性癌。其中约70%为分化良好的乳头状癌,25%~30%为分化程度不同的浸润性癌。根据癌细胞分化程度不同,将移行细胞癌分为三级。 (1)移行细胞癌Ⅰ级:癌组织呈乳头状,乳头表面被覆的移行上皮较厚,细胞层次较多,缺乏从底层到表层由柱状细胞到扁平细胞逐渐分化的现象。细胞核大小不甚一致,有些较大染色较深。核分裂像可见,有的局部区域稍多,且不限于基底层(图12-32)。有些癌细胞可浸润固有膜。 
 图12-32 膀胱移行细胞癌 Ⅰ级 肿瘤乳头状,被覆上皮细胞层次增多,部分排列不整齐,核大小不甚一致 (2)移行细胞癌Ⅱ级:肿瘤呈乳头状、菜花状或扁平无蒂,表面常有坏死和溃疡形成。镜下,部分癌组织仍保持乳头状结构,但多不规则,并有许多实体癌巢。癌细胞大小不一,排列紊乱,极性消失,常有癌巨细胞形成。核大小不等,染色深,核分裂像较多(图12-33)。癌组织常浸润至上皮下组织,甚至可达肌层。 
 图12-33 膀胱移行细胞癌 Ⅱ级 癌组织呈乳头状,细胞层次显著增多,大小、形状不一,排列紊乱,核分裂像较多 (3)移行细胞癌Ⅲ级:部分为菜花状,底宽无蒂,或为扁平的斑块,表面常有坏死和溃疡形成。癌细胞高度未化化;细胞大小、形态不一,排列紊乱(图12-34)。很少或无乳头状结构,有的形成不规则的癌巢,有的分散。常有多数瘤巨细胞。核形状不规则,染色深,核分裂像很多,并有多数不典型的病理性核分裂像。癌组织常浸润到膀胱壁肌层深部,并可穿过膀胱壁浸润到邻近器官,如前列腺、精囊、子宫和腹膜后组织等。 
 图12-34 膀胱移行细胞癌 Ⅲ级 癌细胞分化不良,失去移行上皮的特征,癌细胞大小、形状不规则,排列紊乱,核分裂像多见 各级膀胱移行细胞癌以及乳头状瘤都有复发倾向,并且复发的肿瘤分化往往更不成熟。有些分化不好的移行细胞癌部分可有鳞状化生,生长较快,预后较差。 2.鳞状细胞癌(squamous cell carcinoma) 较少见,约占膀胱癌的5%,常在膀胱移行上皮鳞状化生的基础上发生。许多病人有慢性炎症合并粘膜白斑。鳞状细胞癌有时可形成肿块突出表面,多数为浸润性,表面常有坏死和溃疡形成。镜下结构与一般鳞状细胞癌相同。分化程度不一,有些分化好的,可见细胞间桥和角化,并可有多数癌珠形成;有些分化差,表现为未分化癌。这种单纯的鳞状细胞癌应与上述移行细胞癌伴有灶性鳞状化生相区别,因为单纯的鳞状细胞癌预后较好。 3.腺癌(adenocarcinoma) 很少见,占膀胱癌的1~2%。膀胱腺癌可来自脐尿管残余、尿道周围和前列腺周围的腺体、囊性和腺性膀胱炎或移行上皮的化生。有些腺癌可产生粘液。这种肿瘤可向粘膜表面突出,发生坏死和溃疡,并可向深部浸润膀胱壁,有些肿瘤表面可有大量粘液覆盖。 【转移】 膀胱癌主要通过淋巴道转移到局部淋巴结,并常侵犯子宫旁、髂动脉旁和主动脉旁淋巴结。晚期可发生血路转移,多发生于高度未分化癌,有些可发生广泛转移,常见于肝、肺、骨髓、肾、肾上腺等处。 【临床病理联系】 各种膀胱肿瘤最常见的症状为无痛性血尿。乳头状癌的乳头断裂、肿瘤表面坏死、溃疡形成以及并发膀胱炎等皆可引起血尿。肿瘤侵犯膀胱壁,刺激膀胱粘膜及并发感染时可引起尿频、尿急和疼痛,多见于Ⅱ级和Ⅲ级膀胱癌。肿瘤如阻塞输尿管开口可引起肾盂肾炎、肾盂积水,甚肾盂积脓。 膀胱肿瘤的预后与肿瘤的分化程度和浸润范围有密切关系,分化程度越高预后越好。乳头状瘤预后很好,单纯切除后,五年生存率可达90%以上。Ⅱ级和Ⅲ级的膀胱癌预后不好。膀胱顶部和前壁肿瘤预后比膀胱底部肿瘤预后差。晚期病人往往死于广泛转移和输尿管阻塞引起的感染。 泌尿系统的癌肿位于腹腔及盆腔,只有用特殊检查方法才能查见,故早期诊断比较困难。做尿液或膀胱冲洗液的脱落细胞学检查有其优越性,但由于肾内的癌细胞必须脱落到肾盂才能排出,而有些分化好的移行细胞癌的脱落细胞无法与正常移行上皮细胞鉴别,故尿液脱落细胞学检查的阳性率和正确率不很高,主要对诊断肾盂、输尿管和膀胱的分化不成熟的移行细胞癌和鳞状细胞癌有所帮助。近来应用流式细胞仪分析肿瘤细胞DNA含量对膀胱肿瘤的诊断,尤其是预后有很大帮助。很多恶性肿瘤细胞为DNA非整倍体性,并且非整倍体肿瘤的侵袭性或恶性程度往往比形态相似的二倍体肿瘤更高。因此尿液或膀胱冲洗液的流式细胞技术分析DNA含量和脱落细胞形态学观察两者结合应用,对膀胱肿瘤的预后、预测治疗效果和复发情况都可取得更好的效果。 
 | 
| 返回目录 |